

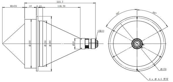
规格:1.1″C型 F8
采用最新光学设计,超大景深
测量物体最大至30mm(直径)
实现360°连续成像展现为平面
外侧面与正面都具有同等清晰高分辨率
适用于药物容器,瓶盖,螺丝等外壁检测
|
型号Model |
RV3623MP8 |
|
|
CCD尺寸Image Size |
2/3-inch |
|
|
像圆Image Circle(mm) |
Φ8.8 |
|
|
工作距离 WD (mm) |
15-45mm |
|
|
波长范围Wavelength Range |
400-650nm |
|
|
检测高度(H) |
最大(MAX) |
30mm |
|
直径(D) |
最大(MAX) |
30mm |
|
接口Mount |
C-Mount |
|
超宽视角,测量物体最小至7.5mmC型2/3″靶面360°外壁检测镜头
超宽视角,测量物体最小至7.5mmC型1/1.8″靶面360°外壁检测镜头
超宽视角,测量物体最大至90mmC型1.1″靶面360°外壁检测镜头
超宽视角,测量物体最小至4.5mmC型1/1.8″靶面360°外壁检测镜头
超宽视角,测量物体最小至7.5mmC型2/3″靶面360°外壁检测镜头配光源
我们为您提供高品质的工业镜头 中联科创 电警单元镜头 线扫镜头 低畸变镜头 监控镜头 工业相机镜头 远心镜头 高分辨率镜头 道路监控镜头 缺陷检测镜头 智能交通镜头 机器视觉镜头!
版权所有 @ 广州智赛电子科技有限公司 2006-2026.
粤ICP备11077438号-5