

规格:2/3″C型 f=6mm
多层镀膜,有效抑制杂光和鬼像
分辨率150lp/mm低畸变影像
轻巧型,可选滤镜接口
抗振性好,高透过率
适用工业检测,机器视觉等
|
2/3″广角镜头6mm FA镜头C Mount |
|||
|
型号Model |
HM06MP5C |
||
|
像机尺寸Image Size |
2/3-inch |
||
|
焦距Focal length |
6mm |
||
|
光圈范围F No. |
F5.6 |
||
|
最短物距M.O.D(m) |
0.16~0.9m |
||
|
控制方式Operation |
Iris |
Fixed 固定光圈 |
|
|
Focus |
Manual手动调整 |
||
|
视场角 Angle of View (D×H×V) |
2/3" |
86.56°×72.82°×56.40° |
|
|
1/2" |
67.20°×55.20°×42.02° |
||
|
1/3" |
51.80°×42.02°×31.60° |
||
|
畸变Distortion |
-5.79% |
||
|
光学后焦BFL |
10.317mm |
||
|
接口Mount |
C-Mount |
||
|
近摄视野Object Dimension |
2/3" |
468.31×351.28mm(WD=300mm) |
|
|
1/2" |
329.32×246.99mm(WD=300mm) |
||
|
1/3" |
240.57×180.43㎜(WD=300mm) |
||
|
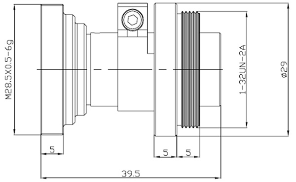
外形尺寸Dimension |
Ф29X39.5mm |
||
|
重量Weight |
45g |
||
|
分辨率Horizontal Resolution |
150lp/mm |
||
|
滤镜尺寸Filter Thread |
M30.5x 0.5 |
||
|
工作温度Working Temperature |
-20ºC ~ +70ºC |
||
1/1.8"靶面3.5mm超过100lp/mm紧凑型C口广角工业镜头
1/2"靶面4mm超过100lp/mm紧凑型C口广角工业镜头
2/3"靶面12mm超过100lp/mm紧凑型C口工业镜头
2/3"靶面16mm超过100lp/mm紧凑型C口工业镜头
2/3"靶面25mm超过100lp/mm紧凑型C口工业镜头
2/3"靶面35mm超过100lp/mm紧凑型C口工业镜头
2/3"靶面50mm超过100lp/mm紧凑型C口工业镜头
2/3"靶面75mm超过100lp/mm紧凑型C口工业镜头
我们为您提供高品质的工业镜头 中联科创 电警单元镜头 线扫镜头 低畸变镜头 监控镜头 工业相机镜头 远心镜头 高分辨率镜头 道路监控镜头 缺陷检测镜头 智能交通镜头 机器视觉镜头!
版权所有 @ 广州智赛电子科技有限公司 2006-2026.
粤ICP备11077438号-5