

规格:2/3″C型 f=5mm
800万像素高分辨率
宽带增透膜,提高透光性能
低畸变,相对照度高
全玻设计,高低温稳定性强
兼容可见光和红外波段适用
|
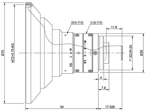
800万像素5mm FA低畸变镜头C Mount |
||
|
型号Model |
LM0528MP8 |
|
|
像机尺寸Image Size |
Φ11 mm(2/3’’) |
|
|
焦距Focal length |
5mm |
|
|
光圈范围F No. |
F2.8-16 |
|
|
最短物距M.O.D(m) |
0.1-Inf. |
|
|
控制方式Operation |
Iris |
Manual手动调整 |
|
Focus |
Manual手动调整 |
|
|
视场角 Angle of View (D×H×V) |
2/3" |
97°×84.3°×68° |
|
1/2" |
80°×66°×52° |
|
|
1/3" |
62°×52°×41° |
|
|
畸变Distortion |
<1.36% |
|
|
光学后焦BFL |
11.86mm |
|
|
法兰后焦Flange BFL |
17.526mm |
|
|
接口Mount |
C-Mount |
|
|
外形尺寸Dimension |
Φ75×54mm |
|
|
重量Weight |
186.3g |
|
|
分辨率Resolution |
8MP |
|
|
滤镜尺寸Filter Thread |
M72x 0.75 |
|
|
工作温度Working Temperature |
-20ºC ~ +60ºC |
|
800万像素2/3英寸8mm机器视觉镜头C口
800万像素2/3英寸9mm机器视觉镜头C口
800万像素2/3英寸12mm机器视觉镜头C口
800万像素2/3英寸16mm机器视觉镜头C口
800万像素2/3英寸25mm机器视觉镜头C口
800万像素2/3英寸35mm机器视觉镜头C口
800万像素2/3英寸50mm机器视觉镜头C口
我们为您提供高品质的工业镜头 中联科创 电警单元镜头 线扫镜头 低畸变镜头 监控镜头 工业相机镜头 远心镜头 高分辨率镜头 道路监控镜头 缺陷检测镜头 智能交通镜头 机器视觉镜头!
版权所有 @ 广州智赛电子科技有限公司 2006-2026.
粤ICP备11077438号-5