

规格:1/1.7″C型35mm F2.8
多层镀膜,兼容可见光和红外光
1200万像素高清晰度画面
低物距、低畸变、对比度好
抗震结构, 高低温稳定性强
体积小适用于工业检测,机器视觉
|
1200万像素35mm低畸变镜头C Mount |
物距Working Distance |
倍率Magnification |
视野1/1.7"Field of View(7.6*5.7mm) |
|||
|
型号Model |
LM3528MP12 |
mm |
X |
H |
V |
|
|
像机尺寸Image Size |
1/1.7-inch(Φ9.5) |
1000 |
0.0369X |
206.23 |
154.69 |
|
|
焦距Focal length |
35mm |
900 |
0.0407X |
186.59 |
139.95 |
|
|
光圈范围F No. |
F2.8-16 |
800 |
0.0456X |
166.89 |
125.16 |
|
|
最短物距M.O.D(m) |
0.2-Inf. |
700 |
0.0517x |
147.11 |
110.32 |
|
|
控制方式Operation |
Iris |
Manual手动调整 |
650 |
0.0554X |
137.18 |
102.87 |
|
. |
Focus |
Manual手动调整 |
600 |
0.0598X |
127.22 |
95.40 |
|
视场角 (D*H*V) Angle of View |
1/1.7" |
13.75°×11.03°×8.29° |
550 |
0.0649X |
117.22 |
87.90 |
|
畸变Distortion |
<0.08% |
500 |
0.0710X |
107.18 |
80.37 |
|
|
光学后焦BFL |
13.91~23.43mm |
450 |
0.0784X |
97.09 |
72.80 |
|
|
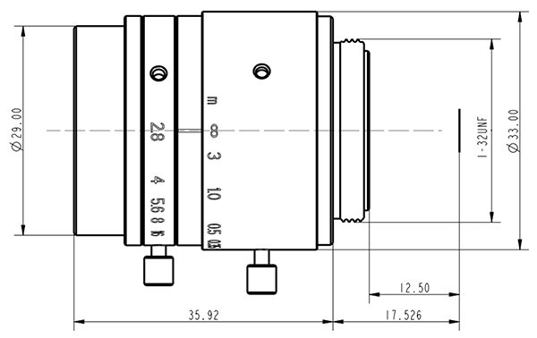
法兰后焦距Flange BFL |
17.526mm |
400 |
0.0875X |
86.92 |
65.17 |
|
|
接口Mount |
C-Mount |
350 |
0.0992X |
76.67 |
57.48 |
|
|
最大主光线夹角CRA |
5.54° |
300 |
0.1148X |
66.30 |
49.70 |
|
|
外形尺寸Dimension |
Φ29×35.92mm |
250 |
0.1365X |
55.76 |
41.80 |
|
|
重量Weight |
64.0g |
200 |
0.1692X |
44.98 |
33.72 |
|
|
滤镜尺寸Filter Thread |
M27xP0.5 |
150 |
/ |
/ |
/ |
|
|
工作温度Working Temperature |
-20ºC ~ +60ºC |
100 |
/ |
/ |
/ |
|
低物距1200万高清1/1.7"6mmC口高分辨率工业镜头
低物距1200万高清1/1.7"8mmC口高分辨率工业镜头
低物距1200万高清1/1.7"12mmC口高分辨率工业镜头
低物距1200万高清1/1.7"16mmC口高分辨率工业镜头
低物距1200万高清1/1.7"25mmC口高分辨率工业镜头
低物距1200万高清1/1.7"30mmC口高分辨率工业镜头
低物距1200万高清1/1.7"40mmC口高分辨率工业镜头
低物距1200万高清1/1.7"50mmC口高分辨率工业镜头
我们为您提供高品质的工业镜头 中联科创 电警单元镜头 线扫镜头 低畸变镜头 监控镜头 工业相机镜头 远心镜头 高分辨率镜头 道路监控镜头 缺陷检测镜头 智能交通镜头 机器视觉镜头!
版权所有 @ 广州智赛电子科技有限公司 2006-2026.
粤ICP备11077438号-5