

规格:1/1.7″C型16mm F2.8
多层镀膜,兼容可见光和红外光
1200万像素高清晰度画面
低物距、低畸变、对比度好
抗震结构, 高低温稳定性强
体积小适用于工业检测,机器视觉
|
1200万像素16mm低畸变镜头C Mount |
物距Working Distance |
倍率Magnification |
视野1/1.7"Field of View(7.6*5.7mm) |
|||
|
型号Model |
LM1628MP12 |
mm |
X |
H |
V |
|
|
像机尺寸Image Size |
1/1.7-inch(Φ9.5) |
1000 |
0.0160X |
475.92 |
357.18 |
|
|
焦距Focal length |
16mm |
900 |
0.0177X |
429.09 |
322.02 |
|
|
光圈范围F No. |
F2.8-16 |
800 |
0.0199X |
382.26 |
286.85 |
|
|
最短物距M.O.D(m) |
0.1-Inf. |
700 |
0.0227x |
335.41 |
251.68 |
|
|
控制方式Operation |
Iris |
Manual手动调整 |
650 |
0.0244X |
311.98 |
234.09 |
|
Focus |
Manual手动调整 |
600 |
0.0263X |
288.55 |
216.49 |
|
|
视场角 (D*H*V) Angle of View |
1/1.7" |
32.53°×26.34°×19.93° |
550 |
0.0287X |
265.11 |
198.90 |
|
畸变Distortion |
<0.018% |
500 |
0.0315X |
241.67 |
181.29 |
|
|
光学后焦BFL |
10.0~12.58mm |
450 |
0.0348X |
218.22 |
163.68 |
|
|
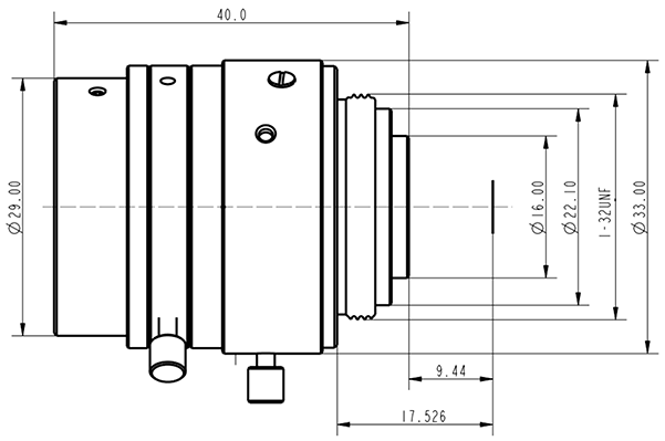
法兰后焦距Flange BFL |
17.526mm |
400 |
0.0391X |
194.75 |
146.07 |
|
|
接口Mount |
C-Mount |
350 |
0.0444X |
171.27 |
128.44 |
|
|
最大主光线夹角CRA |
8.1° |
300 |
0.0515X |
147.77 |
110.79 |
|
|
外形尺寸Dimension |
Φ29×40.0mm |
250 |
0.0613X |
124.23 |
93.12 |
|
|
重量Weight |
59.0g |
200 |
0.0757X |
100.62 |
75.40 |
|
|
滤镜尺寸Filter Thread |
M27xP0.5 |
150 |
0.0992X |
76.90 |
57.60 |
|
|
工作温度Working Temperature |
-20ºC ~ +60ºC |
100 |
0.1443X |
52.92 |
39.62 |
|
低物距1200万高清1/1.7"6mmC口高分辨率工业镜头
低物距1200万高清1/1.7"8mmC口高分辨率工业镜头
低物距1200万高清1/1.7"12mmC口高分辨率工业镜头
低物距1200万高清1/1.7"25mmC口高分辨率工业镜头
低物距1200万高清1/1.7"30mmC口高分辨率工业镜头
低物距1200万高清1/1.7"35mmC口高分辨率工业镜头
低物距1200万高清1/1.7"40mmC口高分辨率工业镜头
低物距1200万高清1/1.7"50mmC口高分辨率工业镜头
我们为您提供高品质的工业镜头 中联科创 电警单元镜头 线扫镜头 低畸变镜头 监控镜头 工业相机镜头 远心镜头 高分辨率镜头 道路监控镜头 缺陷检测镜头 智能交通镜头 机器视觉镜头!
版权所有 @ 广州智赛电子科技有限公司 2006-2026.
粤ICP备11077438号-5