

规格:1/1.7″C型8mm F2.8
多层镀膜,兼容可见光和红外光
1200万像素高清晰度画面
低物距、低畸变、对比度好
抗震结构, 高低温稳定性强
体积小适用于工业检测,机器视觉
|
1200万像素8mm低畸变镜头C Mount |
物距Working Distance |
倍率Magnification |
视野1/1.7"Field of View(7.6*5.7mm) |
|||
|
型号Model |
LM0828MP12 |
mm |
X |
H |
V |
|
|
像机尺寸Image Size |
1/1.7-inch(Φ9.5) |
1000 |
0.0081X |
938.03 |
704.94 |
|
|
焦距Focal length |
8mm |
900 |
0.0090X |
845.85 |
635.60 |
|
|
光圈范围F No. |
F2.8-16 |
800 |
0.0101X |
753.67 |
566.26 |
|
|
最短物距M.O.D(m) |
0.1-Inf. |
700 |
0.0115X |
661.49 |
496.92 |
|
|
控制方式Operation |
Iris |
Manual手动调整 |
650 |
0.0124X |
615.40 |
462.25 |
|
Focus |
Manual手动调整 |
600 |
0.0134X |
569.30 |
427.58 |
|
|
视场角 (D*H*V) Angle of View |
1/1.7" |
59.53°×49.48°×38.24° |
550 |
0.0145X |
523.21 |
392.91 |
|
畸变Distortion |
<0.3% |
500 |
0.0160X |
477.11 |
358.24 |
|
|
光学后焦BFL |
9.77~10.39mm |
450 |
0.0177X |
431.02 |
323.57 |
|
|
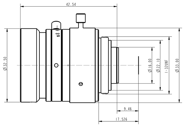
法兰后焦距Flange BFL |
17.526mm |
400 |
0.0198X |
384.92 |
288.89 |
|
|
接口Mount |
C-Mount |
350 |
0.0225X |
338.82 |
254.22 |
|
|
最大主光线夹角CRA |
11.15° |
300 |
0.0261X |
292.71 |
219.54 |
|
|
外形尺寸Dimension |
Φ32.5×42.54mm |
250 |
0.0310X |
246.60 |
184.86 |
|
|
重量Weight |
63.5.0g |
200 |
0.0382X |
200.48 |
150.17 |
|
|
滤镜尺寸Filter Thread |
M30.5xP0.5 |
150 |
0.0497X |
154.33 |
115.47 |
|
|
工作温度Working Temperature |
-20ºC ~ +60ºC |
100 |
0.0712X |
108.14 |
80.74 |
|
低物距1200万高清1/1.7"6mmC口高分辨率工业镜头
低物距1200万高清1/1.7"12mmC口高分辨率工业镜头
低物距1200万高清1/1.7"16mmC口高分辨率工业镜头
低物距1200万高清1/1.7"25mmC口高分辨率工业镜头
低物距1200万高清1/1.7"30mmC口高分辨率工业镜头
低物距1200万高清1/1.7"35mmC口高分辨率工业镜头
低物距1200万高清1/1.7"40mmC口高分辨率工业镜头
低物距1200万高清1/1.7"50mmC口高分辨率工业镜头
我们为您提供高品质的工业镜头 中联科创 电警单元镜头 线扫镜头 低畸变镜头 监控镜头 工业相机镜头 远心镜头 高分辨率镜头 道路监控镜头 缺陷检测镜头 智能交通镜头 机器视觉镜头!
版权所有 @ 广州智赛电子科技有限公司 2006-2026.
粤ICP备11077438号-5